GDV70 | 70-80L/min
Válvula de controle direcional monobloco
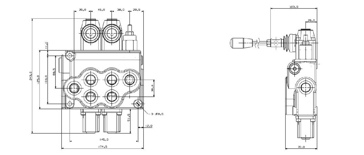
Parte de uma linha abrangente que apresenta seis séries de válvulas de controle direcional monobloco, a GDV70 se destaca pela capacidade de vazão que vai de 25 a 170 L/min. Equipada com uma gama diversificada de funcionalidades de carretel, ela é capaz de gerenciar as operações de cilindros de dupla ação, cilindros de ação simples e motores hidráulicos. Essa versatilidade garante que o GDV70 possa se integrar perfeitamente a vários sistemas hidráulicos, fornecendo o controle preciso e eficiente necessário para um amplo espectro de aplicações.
Características
- Corpo monobloco em ferro fundido;
- Tampa de mola com detector em alumínio fundido;
- Circuito paralelo, pórtico com a válvula de retenção;
- Controle manual, com fios disponíveis nos modelos;
- Corpo de admissão ( mais de 1 válvulas de controlo direcional monobloco);
- Opções de posição mecânica;
- Controles disponíveis: para controle duplo sincronizado or um cilindro atuador, controle para motores hidráulicos;
- Operação fácil e excelente performance de fluxo;
- Secções: 1 até 6 secções.
| Vazão nominal | 70 L/min |
| Vazão Máxima | 80 L/min |
| Pressão Máxima | 310 bar |
| Vazamento interno (70 bar): A/B a T | 30-35 CC/min |
| Temperatura do fluido | |
| Com NBR (BUNA-N) Selo | -20C° -80C° |
| Com FPM (VITON) Selo | -20C° - 100C° |
| Carretel (1/2 posição ) | +7/-7mm |
| Com ponto flutuante (1/2 e F posição) | +7/-7 -9mm |
| Viscosidade | 15-75 mrrT2/s |
| Temperatura ambiente | -40C° -60C° |
Utilizada amplamente nos campos de equipamentos industriais, máquinas agrícolas e máquinas de construção, a série GDV70 aprimora a funcionalidade e o desempenho de várias máquinas. Sua presença é fundamental em dispositivos como carregadeiras de rodas, empilhadeiras e rachadores de toras, onde contribui para a precisão e a confiabilidade operacional, demonstrando seu papel fundamental no suporte a máquinas em diferentes cenários industriais.















