2.8PF | 6-45ml/r
Bomba de engrenagem hidráulica
Dentro da seleção de dez séries de bombas de engrenagem hidráulica, que oferecem uma faixa de deslocamento de 0,16 a 199 ml/r, a série 2.8PF se destaca por sua adaptabilidade a uma ampla variedade de condições operacionais. Essa série se distingue por sua faixa de deslocamento de 6 a 45 ml/r, o que a torna ideal para aplicações que exigem taxas mais altas de fluxo hidráulico.
Os principais recursos da série 2.8PF incluem
- Uma faixa versátil de deslocamento de 6 a 45 ml/r, adequada para configurações de unidade única e de várias unidades.
- Compensação automática da folga axial, garantindo eficiência e desempenho a longo prazo.
- Fabricado com precisão usando equipamentos de usinagem CNC importados, garantindo os mais altos níveis de qualidade.
- A série 2.8PF é conhecida por sua qualidade confiável e desempenho estável, incorporando nossa dedicação à engenharia hidráulica e à inovação.
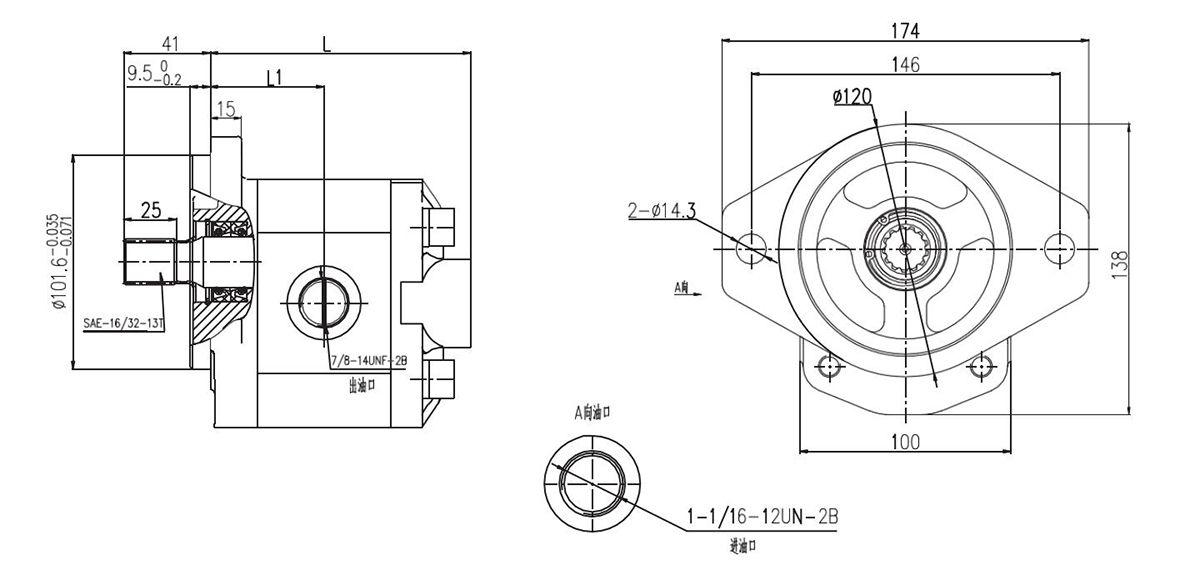
Dimensões
| Modelo | Cilindrada (ml/r) | Pressão(bar) | Rotação(r/min) | L(mm) | |||
| Nominal | Máxima | Nominal | Máxima | Min | |||
| 6 | 250 | 280 | 2000 | 4000 | 800 | 115 | |
| 8 | 250 | 280 | 2000 | 4000 | 800 | 117 | |
| 10 | 250 | 280 | 2000 | 4000 | 700 | 119 | |
| 12 | 250 | 280 | 2000 | 3500 | 700 | 121.5 | |
| 14 | 250 | 280 | 2000 | 3500 | 600 | 123.5 | |
| 16 | 250 | 280 | 2000 | 3500 | 600 | 125.5 | |
| 19 | 250 | 280 | 2000 | 3000 | 500 | 128.5 | |
| 22 | 250 | 280 | 2000 | 3000 | 500 | 132 | |
| 25 | 250 | 280 | 2000 | 3000 | 500 | 135 | |
| 28 | 250 | 280 | 2000 | 3000 | 500 | 138.5 | |
| 30 | 230 | 250 | 2000 | 3000 | 500 | 140.5 | |
| 32 | 230 | 250 | 2000 | 3000 | 400 | 142.5 | |
| 36 | 200 | 230 | 1500 | 2750 | 400 | 147 | |
| 40 | 200 | 230 | 1500 | 2750 | 400 | 151.5 | |
| 43 | 170 | 190 | 1500 | 2500 | 400 | 154.5 | |
| 45 | 170 | 190 | 1500 | 2500 | 400 | 156.5 | |
A série 2.8PF, resultado de pesquisa e desenvolvimento independentes, mescla as características das séries 2.5PF e 3PF, oferecendo um equilíbrio em deslocamento e pressão. Essa combinação estratégica faz com que a série 2.8PF seja amplamente aplicável em cenários que exigem deslocamento médio. Seu design é uma prova da adaptabilidade e da versatilidade necessárias para diversas demandas de sistemas hidráulicos, permitindo que ela se destaque em vários contextos operacionais.














