2.5PF | 20-40ml/r
Bomba de engrenagem hidráulica
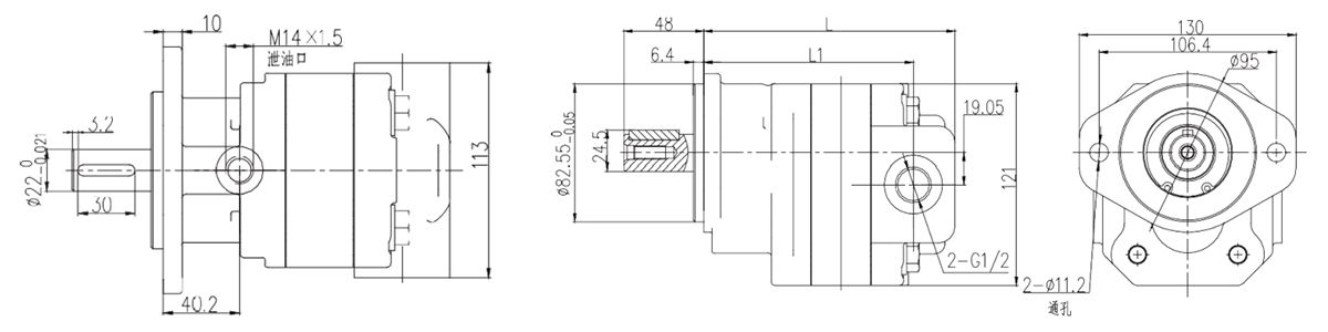
Entre a seleção abrangente de dez séries de bombas de engrenagens, está disponível uma faixa de Deslocamento de 0,16 a 199 ml/r, projetada para atender a uma ampla gama de cenários operacionais. A série 2.5APF é particularmente notável por suas capacidades de Deslocamento Superior, variando de 20 a 40 ml/r, tornando-a adequada para aplicações hidráulicas mais exigentes.
As características da série 2.5APF incluem
- Opções de deslocamento de 20 a 40 ml/r, proporcionando versatilidade para configurações de uma ou várias unidades.
- Equipada com compensação automática de folga axial, melhorando o desempenho e aumentando a vida útil.
- Processada por equipamento de usinagem CNC, garantindo que cada bomba atenda aos padrões de qualidade da Altaest.
- Conhecida por sua qualidade confiável e desempenho estável, a série 2.5APF é uma prova de nossa dedicação à inovação e excelência hidráulicas.
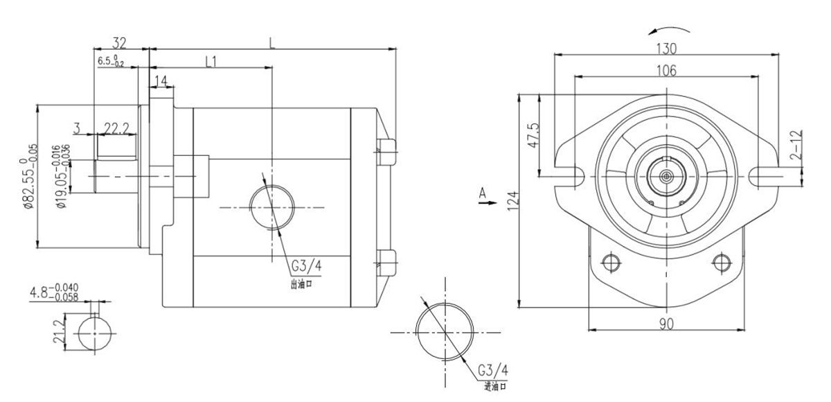
| Modelo | Deslocamento (ml/r) | Pressão (bar) | Velocidade (r/min) | L(mm) | L1(mm) | Porta de entrada | Porta de saída | |||
| Nominal | Máximo | Nominal | Máximo | Mínimo | ||||||
| 20 | 200 | 250 | 2000 | 3000 | 500 | 124.5 | 61.5 | G 1 | G 3/4 | |
| 25 | 200 | 250 | 2000 | 3000 | 500 | 130.5 | 64.5 | |||
| 27 | 200 | 250 | 2000 | 3000 | 500 | 133 | 65.8 | |||
| 30 | 200 | 250 | 2000 | 3000 | 500 | 136.5 | 67.5 | |||
| 32 | 200 | 230 | 2000 | 3000 | 500 | 139 | 68.8 | |||
| 36 | 200 | 230 | 2000 | 3000 | 500 | 143.5 | 71 | |||
| 40 | 160 | 200 | 2000 | 3000 | 500 | 148.5 | 73.5 | |||
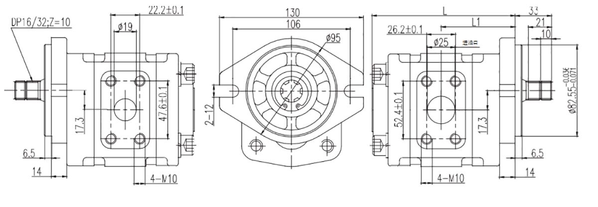
| Modelo | Deslocamento (ml/r) | Pressão (bar) | Velocidade (r/min) | L | L1 | Porta de entrada | Porta de saída | |||
| Nominal | Máximo | Nominal | Máximo | Mínimo | (mm) | (mm) | ||||
| 20 | 200 | 250 | 2000 | 3000 | 500 | 124.5 | 61.5 | Ø25 | Ø19 | |
| 25 | 200 | 250 | 2000 | 3000 | 500 | 130.5 | 64.5 | |||
| 27 | 200 | 250 | 2000 | 3000 | 500 | 133 | 65.8 | |||
| 30 | 200 | 250 | 2000 | 3000 | 500 | 136.5 | 67.5 | |||
| 32 | 200 | 230 | 2000 | 3000 | 500 | 139 | 68.8 | |||
| 36 | 200 | 230 | 2000 | 3000 | 500 | 143.5 | 71 | |||
| 40 | 160 | 200 | 2000 | 3000 | 500 | 148.5 | 73.5 | |||
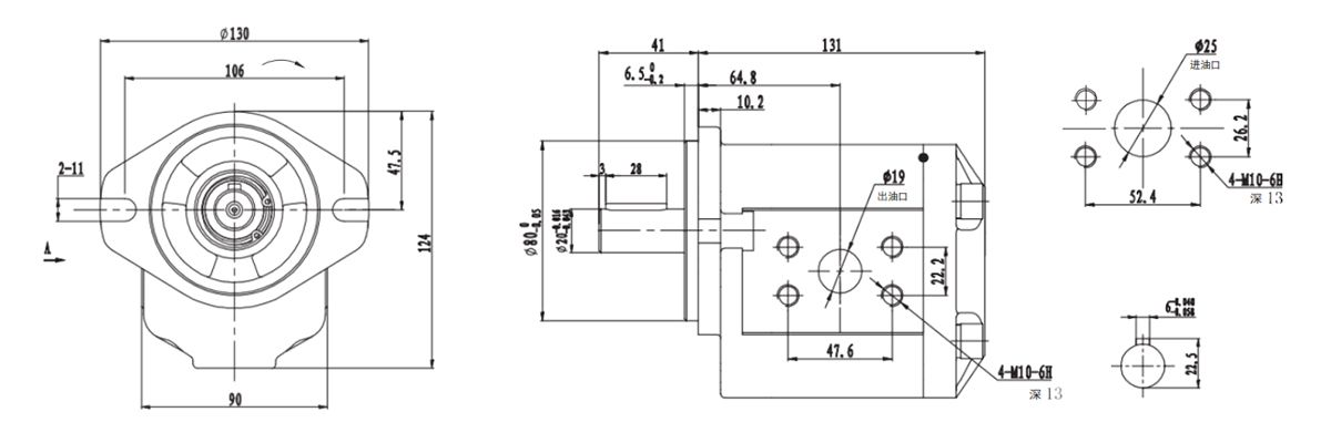
| Modelo | Deslocamento (ml/r) | Pressão (bar) | Velocidade (r/min) | L(mm) | Porta de entrada | Porta de saída | |||
| Nominal | Máximo | Nominal | Máximo | Mínimo | |||||
| 16 | 200 | 250 | 1500 | 2500 | 500 | 101.5 | G 1 | G 3/4 | |
| 18 | 200 | 250 | 1500 | 2500 | 500 | 103.5 | |||
| 20 | 200 | 250 | 1500 | 2500 | 500 | 105.5 | |||
| 23 | 200 | 250 | 1500 | 2500 | 500 | 108.5 | |||
| 25 | 200 | 250 | 1500 | 2500 | 500 | 110.5 | |||
| 28 | 200 | 250 | 1500 | 2500 | 500 | 113.5 | |||
| 30 | 200 | 250 | 1500 | 2500 | 500 | 115.5 | |||
| 32 | 200 | 250 | 1500 | 2500 | 500 | 117.5 | |||
| 36 | 200 | 250 | 1500 | 2500 | 500 | 121.5 | |||
| 40 | 200 | 250 | 1500 | 2500 | 500 | 125.5 | |||
| 45 | 200 | 250 | 1500 | 2500 | 500 | 130.5 | |||
| 52 | 200 | 250 | 1500 | 2500 | 500 | 137.5 | |||
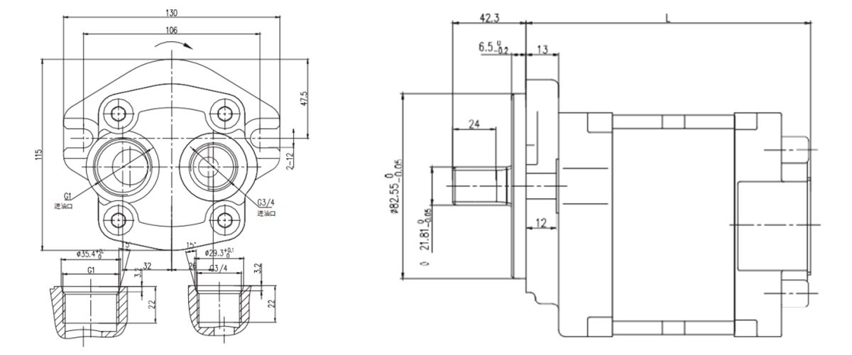
| Modelo | Deslocamento (ml/r) | Pressão (bar) | Velocidade (r/min) | Porta de entrada | Porta de saída | |||||||
| Nominal | Máximo | Nominal | Máximo | Mínimo | L1xB1 | T1 | Ød1 | L1xB2 | T2 | Ød2 | ||
| 25 | 250 | 280 | 1500 | 2500 | 500 | 52.4 X 26.2 | M10 | 25 | 47.6 X 22.2 | M10 | 19 | |
| Modelo | Deslocamento (ml/r) | Pressão (bar) | Velocidade (r/min) | L (mm) | L1 (mm) | |||
| Nominal | Máximo | Nominal | Máximo | Mínimo | ||||
| 10.16 | 210 | 250 | 2000 | 3000 | 600 | 137 | 112 | |
| 15.23 | 210 | 250 | 2000 | 3000 | 600 | 143.5 | 118.5 | |
| 20.31 | 210 | 250 | 2000 | 3000 | 600 | 150 | 125 | |
| 25.39 | 210 | 250 | 2000 | 3000 | 600 | 156.5 | 131.5 | |
| 30.47 | 210 | 250 | 2000 | 3000 | 600 | 163 | 138 | |
| 35.54 | 180 | 210 | 2000 | 3000 | 600 | 169.5 | 144.5 | |
| 40.62 | 180 | 210 | 2000 | 3000 | 600 | 176 | 151 | |
A série 2.5APF, projetada predominantemente para empilhadeiras - muitas vezes chamada de bombas para empilhadeiras - atende a uma variedade de necessidades de manuseio de materiais com três modelos distintos. Feitas sob medida para acomodar diferentes projetos e funcionalidades de empilhadeiras, essas bombas aumentam a eficiência e o desempenho no manuseio de materiais, garantindo que a série 2.5APF ofereça suporte às operações críticas de diversas máquinas no setor industrial.



































