1MF | 1.1-8ml/r
Motor de engrenagem hidráulico
Entre as sete séries de motores hidráulicos de engrenagens, a 1MF se destaca por uma impressionante faixa de deslocamento de 1,1 a 8,5 ml/r. Ele foi projetado especificamente para prosperar em ambientes que exigem alta resistência à contaminação. A série 1MF, com sua construção simples e robusta, oferece confiabilidade inigualável. Características como a compensação automática da folga axial e as buchas resistentes ao desgaste garantem uma vida útil prolongada, tornando a série 1MF uma opção resiliente e versátil para várias aplicações.
As principais características da série 1MF incluem
- Uma linha de deslocamento que abrange de 1,1 a 8,5 ml/r, atendendo a diversas necessidades operacionais.
- Capacidades de suporte de carga aprimoradas e maior longevidade.
- Equipado com compensação automática de folga axial para desempenho sustentado alto.
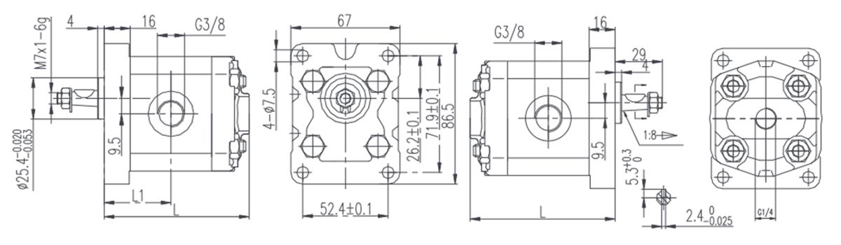
| Deslocamento (ml/r) | 1.1 | 1.6 | 2.1 | 2.7 | 3.2 | 3.7 | 4.2 | 4.8 | 5.8 | 6.5 | 8 |
| L1(mm) | 33 | 35 | 36 | 37 | 38 | 39 | 40 | 41 | 43 | 44 | 47 |
| L(mm) | 75 | 78 | 79 | 81 | 83 | 85 | 87 | 89 | 93 | 95 | 101 |
| Modelo | |||
| Cilindrada (ml/r) | 1.1 a 5.1 | 5.1 a 8.5 | |
| Pressão (bar) | Nominal | 200 | 200 |
| Intermitente | 230 | 230 | |
| Pico | 250 | 250 | |
| Velocidade (r/min) | Máx. | 4000 | 3600 |
| Mín. | 650 | 650 | |
| Eficiência total (T>%) | 78 | ||
| Eficiência volumétrica (V>%) | 92 | ||
| Eficiência mecânica (M>%) | 85 | ||
Os motores de engrenagem da série 1MF são essenciais para acionar os sistemas de resfriamento de ventiladores, fornecendo potência eficiente a partir do eixo. Eles desempenham um papel fundamental no gerenciamento térmico de várias máquinas pesadas, incluindo rolos compactadores, escavadeiras e escavadeiras. Essas aplicações destacam a eficácia dos motores para manter a eficiência operacional e prolongar a vida útil de equipamentos essenciais.




















