1AFDF | 2-7ml/r
Divisor de fluxo de engrenagens
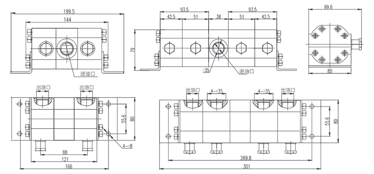
A série 1FDF, como parte de nossas quatro séries de divisores de fluxo de engrenagens, incluindo 1AFDF, 2FDF e 3FDF, destaca-se por sua precisão no gerenciamento de fluxos hidráulicos, oferecendo uma faixa de deslocamento de 1,6 a 8,42 ml/r. Esses divisores de fluxo de engrenagem são projetados para conectar vários motores de engrenagem por meio de um acoplador, formando um sistema que garante a operação sincronizada dos atuadores com alta precisão. A integração de válvulas adicionais aumenta a proteção e a funcionalidade do sistema.
Os recursos da série 1FDF incluem
- Uma faixa de deslocamento de 1,6 a 8,42 ml/r, projetada para uma distribuição ideal do fluxo.
- Mantém a perda de pressão dentro de 16 a 19 bar para um desempenho eficiente do sistema.
- Garante operações sincronizadas do atuador com alta precisão, atingindo uma exatidão de sincronização de ±1,5% a ±2%.
- Capacidade de integração com válvulas de alívio, válvulas de retenção e válvulas de controle de velocidade, proporcionando proteção do sistema e funções suplementares.
| Cilindrada | Pórticos SAE | Vazão Mínima/Sec | Vazão Máxima/Sec | Diferença de Pressão Entrada/Saída | Pressão Máxima de Saída | ||||||
| In3 | Cm3 | Entrada | Saída | Gpm | Lpm | Gpm | Lpm | Psi | Bar | Psi | Bar |
| 0.097 | 1.6 | SAE6 | SAE6 | 0.8 | 3 | 1.7 | 6.4 | 1800 | 124 | 3500 | 240 |
| 0.129 | 2.13 | SAE8 | SAE8 | 1.2 | 4.5 | 2.5 | 9.5 | 1800 | 124 | 3500 | 240 |
| 0.194 | 3.18 | SAE8 | SAE6 | 1.7 | 6.4 | 4.5 | 13.2 | 1800 | 124 | 3500 | 240 |
| 0.258 | 4.24 | SAE10 | SAE10 | 2.5 | 9.5 | 5 | 18.9 | 1800 | 124 | 3500 | 240 |
| 0.323 | 5.29 | SAE10 | SAE10 | 3 | 11.4 | 6 | 22.7 | 1800 | 124 | 3500 | 240 |
| 0.388 | 6.36 | SAE10 | SAE10 | 3.5 | 13.2 | 7 | 26.5 | 1600 | 110 | 3500 | 240 |
| 0.453 | 7.42 | SAE10 | SAE10 | 4 | 15.1 | 8 | 30.3 | 1300 | 90 | 3500 | 240 |
| 0.517 | 8.42 | SAE10 | SAE10 | 4.5 | 17 | 9 | 34.1 | 1200 | 83 | 3500 | 240 |
Os divisores de fluxo de engrenagens 1FDF são amplamente utilizados em máquinas industriais, de armazenamento e agrícolas, desempenhando um papel fundamental para garantir a operação sincronizada. Eles são essenciais em dispositivos como guindastes de caminhão com lança, plataformas de trabalho aéreo, tratores, colheitadeiras, divisores de toras e empilhadeiras, facilitando o desempenho preciso e eficiente em diversas aplicações.















