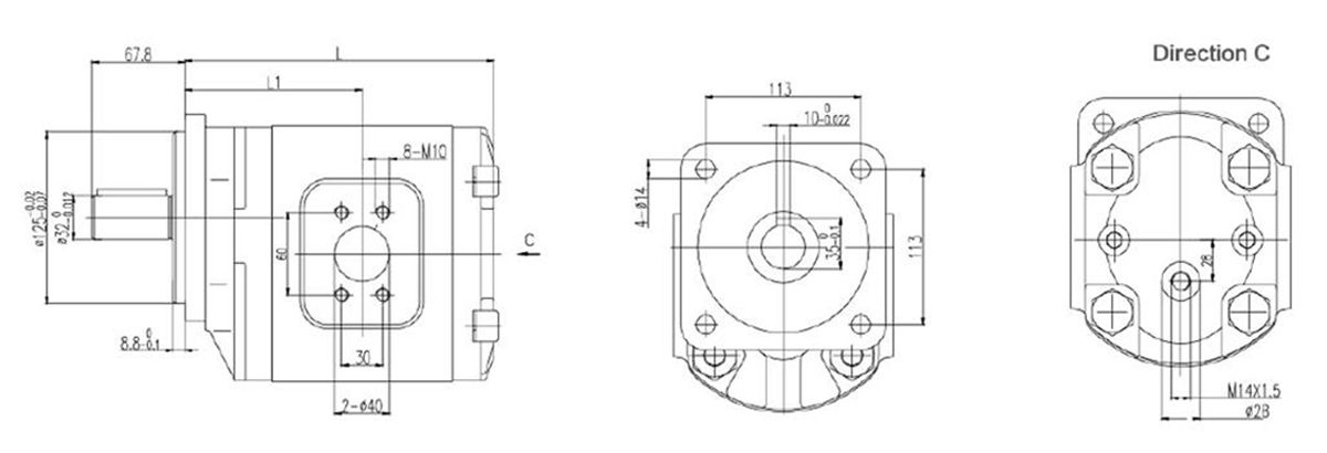
3.5MF | 52-115ml/r
Motor de engrenagem hidráulico
A série 3.5MF, parte das sete séries de motores de engrenagens hidráulicas oferecidas pela GRH, se distingue por uma faixa de Deslocamento de 52-115 ml/r. Essa série foi projetada para oferecer resistência superior à contaminação, simplicidade e alta confiabilidade. Ela apresenta um recurso de compensação automática de folga axial e buchas resistentes ao desgaste, aumentando significativamente sua vida útil.
Algumas características da série 3.5MF incluem
- Uma faixa substancial de deslocamento de 52 a 115 ml/r, acomodando uma ampla gama de necessidades hidráulicas.
- Capacidade de carga e durabilidade aprimoradas, garantindo maior vida útil operacional.
- A inclusão da compensação automática da folga axial para um desempenho consistente e eficiente.
| Deslocamento (ml/r) | 22 | 26 | 39 |
| L1(mm) | 66 | 67 | 71 |
| L(mm) | 131 | 134 | 143 |
Os motores de engrenagem da série 3.5MF são amplamente aplicados em sistemas de resfriamento e servem como motores de mistura em pequenos misturadores de cimento. Seu design garante que eles sejam um componente crucial para a operação eficiente dos mecanismos de resfriamento, vitais para máquinas como rolos compactadores, escavadeiras e buldôzeres. Além disso, sua confiabilidade e desempenho em operações de mistura de cimento os tornam indispensáveis no setor de construção, onde são necessárias capacidades de mistura consistentes e robustas.















