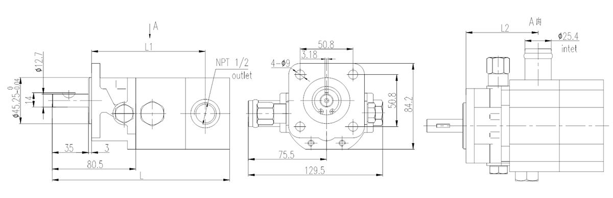
CBT | 8-16ml/r
Bomba de engrenagem hidráulica para cortadores de toras
CBT | 8-16ml/r
Bomba de engrenagem hidráulica para cortadores de toras
Nossa bomba de engrenagem hidráulica, comumente chamada de bomba hi-lo, é uma bomba de estágio duplo com dois pressões de trabalho. Embora seja usada principalmente em divisores de toras, seu projeto versátil também a torna adequada para sistemas com princípios de funcionamento semelhantes, como máquinas de rebitagem. A capacidade de função dupla dessa bomba de engrenagens permite uma operação eficiente em várias aplicações, tornando-a uma ferramenta valiosa em equipamentos que exigem diferentes níveis de pressão para um desempenho ideal.
| Modelo | Vazão (gpm) | Pressão (Psi) | Deslocamento (Cu.in/r) | Velocidade (rpm) | D (mm) | |||
| 3600r/min | Baixa | Alta | Baixa | Alta | Porta de entrada | Porta de saída | ||
| 8 | 400/900 | 3000 | 0.385 | 0.13 | 3600 | 1 in PIPE | 1/2 in NPT | |
| 8.5 | 400/900 | 3000 | 0.385 | 0.183 | ||||
| 9 | 400/900 | 3000 | 0.385 | 0.22 | ||||
| 10 | 400/900 | 3000 | 0.537 | 0.13 | ||||
| 10.5 | 400/900 | 3000 | 0.537 | 0.183 | ||||
| 11 | 400/900 | 3000 | 0.537 | 0.22 | ||||
| 11.5 | 400/900 | 3000 | 0.537 | 0.256 | ||||
| 12 | 400/900 | 3000 | 0.665 | 0.13 | ||||
| 12.5 | 400/900 | 3000 | 0.665 | 0.183 | ||||
| 13 | 400/900 | 3000 | 0.665 | 0.22 | ||||
| 13.5 | 400/900 | 3000 | 0.665 | 0.256 | ||||
| 16 | 400/900 | 3000 | 0.793 | 0.265 | ||||
| 22 | 400/900 | 3000 | 0.93 | 0.465 | NPTF 1 | NPTF3/ | ||
| 28 | 400/900 | 3000 | 1.395 | 0.465 | G1 | G3/4 | ||












