3PF | 22-89ml/r
Bomba de engrenagem hidráulica
Entre a seleção de dez séries de bombas hidráulicas de engrenagens, com uma faixa de deslocamento de 0,16 a 199 ml/r para atender a uma ampla gama de requisitos, a série 3PF se destaca como uma solução robusta para aplicações que necessitam de maior deslocamento. Com sua faixa de 22 a 89 ml/r, ela foi projetada para oferecer versatilidade em configurações de unidade única e de várias unidades, o que a torna ideal para requisitos de sistemas hidráulicos mais exigentes.
As características da série 3PF incluem
- Uma ampla faixa de deslocamento de 22 a 89 ml/r, permitindo flexibilidade em um amplo espectro de funções hidráulicas.
- mecanismo automático de compensação da folga axial garante desempenho e longevidade ideais.
- Engenharia de precisão obtida por meio do uso de equipamentos de usinagem CNC importados, refletindo um compromisso com a qualidade superior.
- A série se distingue por sua qualidade confiável e desempenho consistente, alinhando-se aos padrões Altaest de engenharia hidráulica.
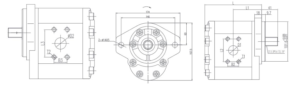
Especificações
| Modelo | Deslocamento (ml/r) | Pressão (bar) | Velocidade (r/min) | L | L1 | L2 | B2 | ØD1 | T1 | L3 | B3 | ØD2 | T2 | |||
| Nominal | Máximo | Nominal | Máximo | Mínimo | (mm) | (mm) | (mm) | (mm) | (mm) | (mm) | (mm) | (mm) | (mm) | (mm) | ||
| 22 | 200 | 250 | 2000 | 3000 | 400 | 130.3 | 65.3 | 52.4 | 26.2 | 27 | 3/8-16UNC-2B | 26.2 | 47.6 | 19 | 3/8-16UNC-2B | |
| 26 | 200 | 250 | 2000 | 3000 | 400 | 133.3 | 66.8 | |||||||||
| 34 | 200 | 250 | 2000 | 3000 | 400 | 138.8 | 69.6 | |||||||||
| 39 | 200 | 250 | 2000 | 3000 | 400 | 142.8 | 71.6 | |||||||||
| 43 | 200 | 250 | 2000 | 2800 | 400 | 145.3 | 72.8 | |||||||||
| 51 | 200 | 250 | 2000 | 2400 | 400 | 151.3 | 75.8 | |||||||||
| 60 | 180 | 230 | 1500 | 2800 | 400 | 157.8 | 79.1 | 58.7 | 28.4 | 33 | 7/16-14UNC-2B | 26.2 | 52.4 | 27 | ||
| 70 | 180 | 200 | 1500 | 2500 | 400 | 164.8 | 82.5 | |||||||||
| 78 | 160 | 200 | 1500 | 2300 | 400 | 171 | 85 | |||||||||
| 89 | 140 | 180 | 1500 | 2000 | 400 | 176 | 88 | |||||||||
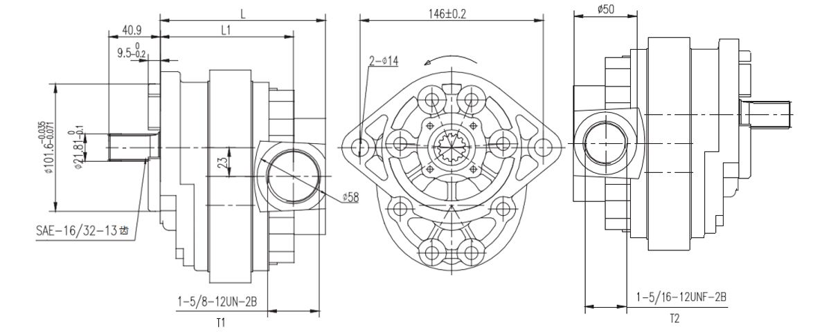
Especificações
| Modelo | Deslocamento (ml/r) | Pressão (bar) | Velocidade (r/min) | L | L1 | T1 | T2 | |||
| Nominal | Máximo | Nominal | Máximo | Mínimo | (mm) | (mm) | (mm) | (mm) | ||
| 22 | 200 | 250 | 2000 | 3000 | 400 | 111.6 | 85.6 | 1-5/8-12UNC-2B | 1-5/16-12UNC-2B | |
| 26 | 200 | 250 | 2000 | 3000 | 400 | 114.5 | 88.5 | |||
| 34 | 200 | 250 | 2000 | 3000 | 400 | 120.2 | 94.2 | |||
| 39 | 200 | 250 | 2000 | 3000 | 400 | 123.8 | 97.8 | |||
| 43 | 200 | 250 | 2000 | 2800 | 400 | 126.5 | 100.5 | |||
| 50 | 200 | 250 | 2000 | 2400 | 400 | 131.5 | 105.5 | |||
| 60 | 180 | 230 | 1500 | 2800 | 400 | 138.5 | 112.5 | |||
| 63 | 180 | 200 | 1500 | 2500 | 400 | 140.8 | 114.8 | |||
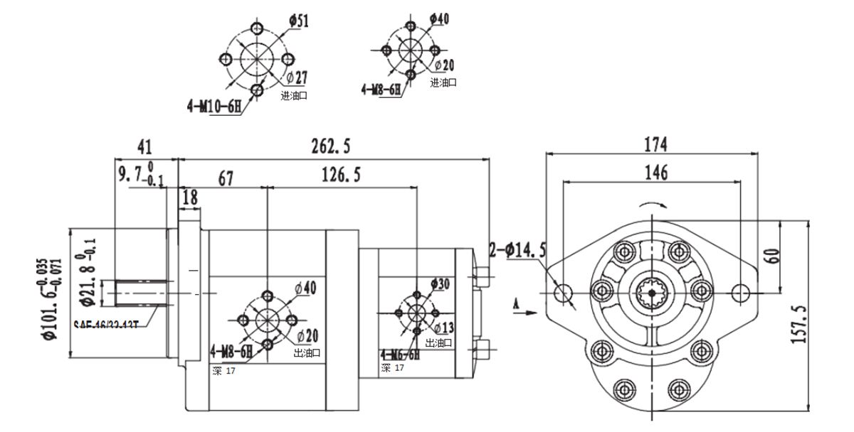
Especificações
| Modelo | Deslocamento (ml/r) | Pressão (bar) | Velocidade (r/min) | |||
| Nominal | Máximo | Nominal | Máximo | Mínimo | ||
| 32/23 | 200 | 250 | 2000 | 3000 | 500 | |
| Deslocamento (ml/r) | 22 | 26 | 34 | 39 | 43 | 51 | 60 | 70 |
| L3/L4(mm) | 80 | 83 | 88.5 | 92.5 | 95 | 101 | 107.5 | 114.5 |
| L(mm) | 128.5 | 131.5 | 137 | 141 | 143.5 | 149.5 | 156 | 163 |
| L1(mm) | 65.5 | 67 | 69.8 | 71.8 | 73 | 76 | 79.3 | 82.8 |
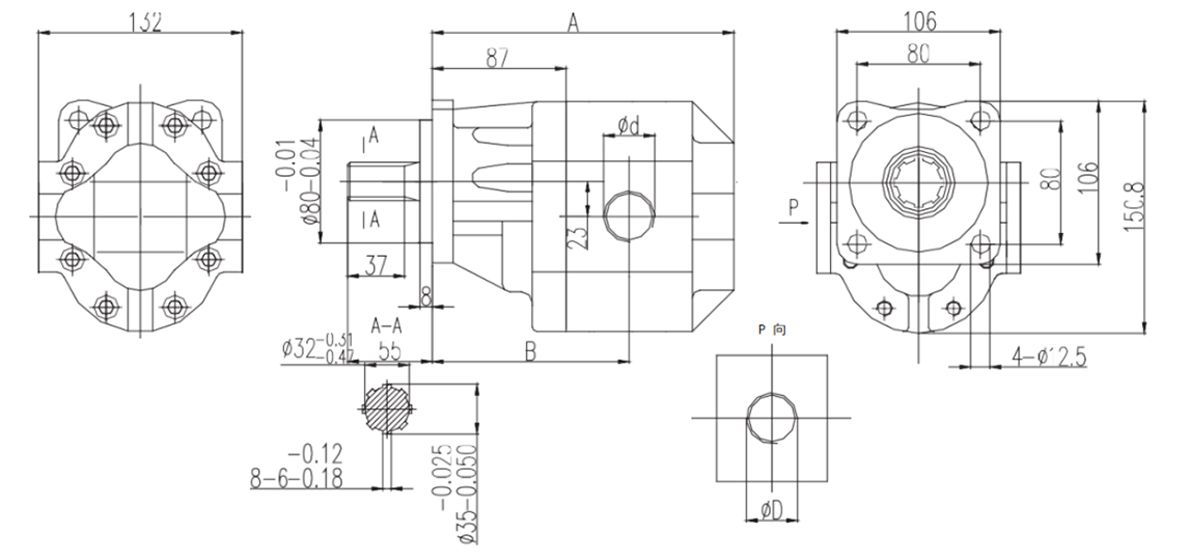
| Modelo | Deslocamento (ml/r) | Pressão (bar) | Velocidade (r/min) | A(mm) | B(mm) | D(mm) | d (mm) | Peso (kg) | |||
| Nominal | Máximo | Nominal | Máximo | Mínimo | |||||||
| 43 | 210 | 300 | 2000 | 3000 | 300 | 171 | 115.5 | G1 | G3/4 | 12.8 | |
| 51 | 210 | 300 | 2000 | 3000 | 300 | 177 | 118.5 | G1 | G1 | 13.2 | |
| 61 | 210 | 300 | 200 | 3000 | 300 | 183.6 | 121.8 | G1 | G1 | 13.6 | |
| 82 | 210 | 300 | 200 | 3000 | 300 | 196 | 128 | G1-1/4 | G1 | 14.1 | |
As bombas de engrenagem da série 3PF, projetadas para saída hidráulica Alta-flow, são perfeitamente adequadas para máquinas e equipamentos de grande porte. Seu desempenho robusto é integral em caminhões-bomba, guindastes montados em caminhões e betoneiras, garantindo que essas aplicações operem com a eficiência e a confiabilidade necessárias em ambientes de trabalho pesado, incorporando a força e a resiliência necessárias para as tarefas mais exigentes.
































