2.5MF | 10-40ml/r
Motor de engrenagem hidráulico
A série 2.5MF de nossa linha de sete séries de motores hidráulicos de engrenagens se destaca por sua faixa de deslocamento de 10 a 40 ml/r, projetada para atender às demandas sofisticadas de várias Aplicações industriais. Essa série é reconhecida por sua robusta resistência à contaminação, estrutura simples, porém confiável, e longevidade. Com compensação automática da folga axial e buchas resistentes ao desgaste, a série 2.5MF garante uma vida operacional prolongada.
As principais vantagens da série 2.5MF incluem
- Um amplo espectro de deslocamento de 10 a 40 ml/r, projetado para diversos requisitos do sistema hidráulico.
- Capacidade de carga superior e durabilidade aprimorada, confirmando sua adequação para uso em serviços pesados.
- Compensação automática da folga axial, mantendo desempenho e eficiência consistentes.
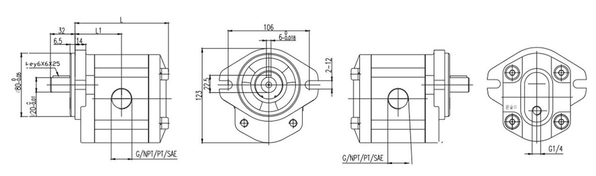
| Deslocamento (ml/r) | 10 | 16 | 20 | 25 | 27 | 30 | 32 | 36 | 40 |
| L1(mm) | 44 | 45 | 60 | 62 | 63 | 65 | 66 | 68 | 70 |
| L(mm) | 96 | 98 | 125 | 130 | 132 | 137 | 139 | 144 | 148 |
Os motoredutores da série 2.5MF são projetados para desempenho dinâmico em aplicações exigentes. Com uma linha de Deslocamento adaptada para tarefas de capacidade média a alta, esses motores são fundamentais para acionar máquinas essenciais. Seu design robusto é particularmente eficaz em sistemas que exigem controle hidráulico preciso, o que os torna a escolha ideal para rolos compactadores, escavadeiras e bulldozers. Essas aplicações se beneficiam da confiabilidade e da eficiência da série 2.5MF, garantindo que os equipamentos pesados operem sem problemas em várias condições.















