GDV25 | 25-30L/min
Válvula de controle direcional monobloco
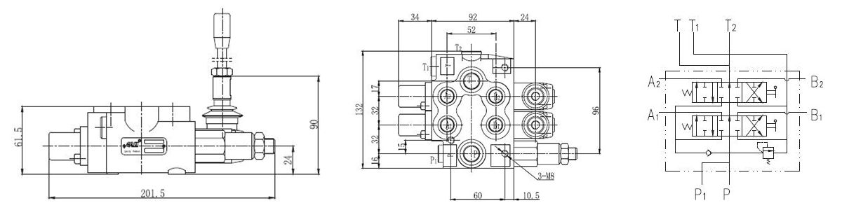
Entre as nossas seis séries de válvulas de controle direcional monobloco, a GDV25 se destaca por sua faixa de vazão de 25 a 170 L/min. Ela oferece várias funções de carretel projetadas para controlar cilindros de ação dupla, cilindros de ação simples e motores hidráulicos. Essa versatilidade garante que a série GDV25 possa atender a uma ampla gama de requisitos de sistemas hidráulicos, proporcionando controle preciso e operação eficiente em diferentes aplicações.
Características
- Corpo monobloco em ferro fundido;
- Tampa de mola com detector em alumínio fundido;
- Circuito paralelo, pórtico com a válvula de retenção;
- Controle manual, com fios disponíveis nos modelos;
- Corpo de admissão;
- Opções de posição mecânica;
- Controles disponíveis: alavanca, hidráulicos, pneumáticos, eletro-hidráulico, eletropneumático, alavanca de câmbio, cabo flexível e controles duplos;
- Operação fácil e excelente;
- Secções: 1 até 6 secções.
| Vazão nominal | 25 L/min |
| Vazão Máxima | 30 L/min |
| Pressão Máxima | 250bar |
| Vazamento interno (70 bar): A/B a T | 30 - 35 CC/min |
| Temperatura do fluido | -15°C - 80°C |
| Com NBR(BUNA-N) Selo | -20C° - 80C° |
| Com FPM (VITON) Selo | -20C° - 100C° |
| Carretel (1/2position) | +5.5/ -5.5 mm |
| Com ponto flutuante (1/2 e posição F) | +5.5/ -5.5 - 8 mm |
| Viscosidade | 15 - 75 mmA2/s |
| Temperatura ambiente | -40C° - 60C° |
A série GDV25 de válvulas de controle direcional monobloco da GRH é amplamente utilizada em vários setores, incluindo equipamentos industriais, máquinas agrícolas e máquinas de construção. Sua aplicação em dispositivos como carregadeiras de rodas, empilhadeiras e rachadores de toras ressalta sua adaptabilidade e eficiência, tornando-a um componente vital para melhorar o desempenho e a confiabilidade das máquinas nesses campos.















