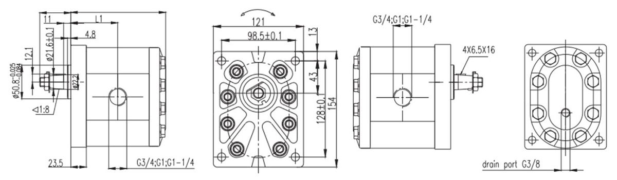
3MF | 22-89ml/r
Motor de engrenagem hidráulico
Dentro da diversificada linha de motores hidráulicos de engrenagens fabricados pela GRH, destaca-se a nossa série 3MF, que abrange cinco séries de motores de engrenagens com opções de deslocamento que variam de 1,1 a 115 ml/r. Esses motores de engrenagem são especialmente valorizados por sua robusta resistência à contaminação, simplicidade de projeto e alta confiabilidade. Uma característica marcante da nossa série 3MF é a compensação automática da folga axial, que, juntamente com as luvas de eixo resistentes ao desgaste, aumenta significativamente a vida útil dos motores, tornando-os uma opção durável em várias aplicações.
Características
- Disponível em deslocamentos que variam de 22 a 89 ml/r
- Maior capacidade de carga e vida útil prolongada
- Equipado com compensação automática de folga axial para um desempenho consistente
| Deslocamento (ml/r) | 1.1 | 1.6 | 2.1 | 2.7 | 3.2 | 3.7 | 4.2 | 4.8 | 5.8 | 6.5 | 8 |
| L1(mm) | 33 | 35 | 36 | 37 | 38 | 39 | 40 | 41 | 43 | 44 | 47 |
| L(mm) | 75 | 78 | 79 | 81 | 83 | 85 | 87 | 89 | 93 | 95 | 101 |
Os motores de engrenagem da série 3MF são excelentes em sistemas de resfriamento e pequenos misturadores de cimento, fornecendo funcionalidade essencial para equipamentos como rolos compactadores, escavadeiras e bulldozers. Sua eficiência em aplicações de resfriamento e mistura ressalta a versatilidade e a confiabilidade da série em máquinas de construção.















