0PF | 0.16-2ml/r
Bomba de engrenagem hidráulica
A GRH oferece uma extensa linha de bombas hidráulicas de engrenagens, abrangendo dez séries de bombas de engrenagens, com nossa linha completa englobando deslocamentos de 0,16 a 199 ml/r para atender a praticamente qualquer requisito industrial. A série OPF, em particular, é feita sob medida para Aplicações especializadas devido ao seu design compacto e eficiente, adequado para sistemas hidráulicos pequenos e tarefas de lubrificação precisas.
Características das bombas de engrenagens hidráulicas OPF
- Disponível com deslocamentos que variam de 0,16 a 2 ml/r, permitindo configurações desde uma única unidade até conjuntos complexos.
- Características: compensação automática da folga axial para um desempenho consistente e de alta qualidade.
- Mecanizado por um equipamento de usinagem CNC importado para obter precisão superior.
- Oferece qualidade confiável e desempenho estável, mantendo nossos rígidos padrões de excelência hidráulica.
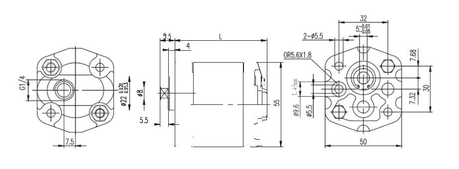
| Modelo | Cilindrada (ml/r) | Pressão(bar) | Rotação(r/min) | L(mm) | SS | Entrada da bomba(mm) | |||
| Nominal | Máxima | Nominal | Máxima | Min | L1(mm) | ||||
| 0.16 | 200 | 250 | 2000 | 6000 | 800 | 58.2 | 30.8 | G1/4 | |
| 0.25 | 200 | 250 | 2000 | 6000 | 800 | 59 | 31.3 | ||
| 0.38 | 200 | 250 | 2000 | 6000 | 800 | 60.3 | 31.9 | ||
| 0.5 | 200 | 250 | 2000 | 6000 | 800 | 61 | 32.3 | ||
| 0.75 | 200 | 250 | 2000 | 6000 | 800 | 63.5 | 33.5 | ||
| 1 | 200 | 250 | 2000 | 6000 | 800 | 66 | 34.8 | ||
| 1.25 | 200 | 250 | 2000 | 5000 | 800 | 68.5 | 36 | ||
| 1.5 | 200 | 250 | 2000 | 4500 | 800 | 70 | 37 | ||
| 1.75 | 200 | 250 | 2000 | 4000 | 800 | 73 | 38.3 | ||
| 2 | 160 | 200 | 2000 | 3500 | 800 | 75.5 | 39.5 | ||
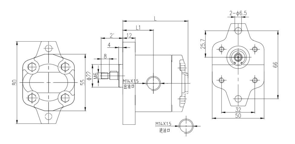
As bombas de engrenagem da série 0PF são amplamente utilizadas em sistemas micro-hidráulicos, pois seu tamanho pequeno e peso leve as tornam perfeitas para aplicações tão precisas. Sua faixa de baixo deslocamento também as torna uma escolha popular para sistemas de lubrificação de esteiras. Integradas a várias máquinas, como empilhadeiras, plataformas de trabalho aéreo, colheitadeiras, tratores e rolos compactadores, essas bombas ressaltam nosso compromisso com a excelência hidráulica. Para casos de uso detalhados, consulte as aplicações a seguir:




















