3.5PF | 52-115ml/r
Bomba de engrenagem hidráulica
Dentro da gama diversificada de dez séries de bombas de engrenagens, que abrange um Deslocamento de 0,16 a 199 ml/r para atender a uma vasta gama de requisitos industriais, a série 3.5APF surge como uma solução poderosa para as necessidades hidráulicas de alta capacidade. Oferecendo uma faixa de Deslocamento de 52 a 115 ml/r, ela foi projetada para oferecer flexibilidade em configurações de unidade única e múltipla, atendendo às necessidades até mesmo dos sistemas hidráulicos mais exigentes.
As principais características da série 3.5APF incluem
- Uma faixa significativa de deslocamento de 52 a 115 ml/r, projetada para suportar uma ampla gama de Aplicações hidráulicas.
- Compensação automática da folga axial para garantir um desempenho consistente e aumentar a durabilidade.
- Fabricado com equipamentos de usinagem CNC importados de alta precisão para manter os padrões de qualidade Altaest.
- Reconhecida por sua qualidade confiável e desempenho estável, a série 3.5APF é uma prova do nosso compromisso com a excelência em engenharia hidráulica.
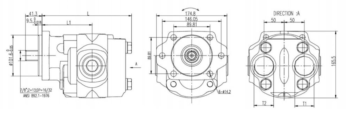
| Modelo | Pressão (bar) | Velocidade (r/min) | L | L1 | T1 | T2 | ||||
| Deslocamento (ml/r) | Nominal | Máximo | Nominal | Máximo | Mínimo | (mm) | (mm) | (mm) | (mm) | |
| 3.5APF52L**S12-B-O | 52 | 170 | 210 | 1500 | 3600 | 600 | 181 | 206.5 | 1” | 1-1/4” |
| 3.5APF63L**S12-B-O | 63 | 170 | 210 | 1500 | 3600 | 600 | 187.5 | 216 | 1” | 1-1/4” |
| 3.5APF73L**S12-B-O | 73 | 170 | 210 | 1500 | 3600 | 600 | 193.5 | 225.3 | 1-1/4” | 1-1/4” |
| 3.5APF85L**S12-B-O | 85 | 150 | 180 | 1500 | 3600 | 600 | 200.5 | 235.5 | 1-1/4” | 1-1/4” |
| 3.5APF93L**S12-B-O | 93 | 150 | 180 | 1500 | 3600 | 600 | 206.5 | 244.5 | 1-1/2” | 1-1/4” |
| 3.5APF104L**S12-B-O | 104 | 150 | 180 | 1500 | 3600 | 600 | 213 | 254.5 | 1-1/2” | 1-1/4” |
| 3.5APF115L**S12-B-O | 115 | 120 | 140 | 1500 | 3600 | 600 | 219 | 263.5 | 1-1/2” | 1-1/4” |
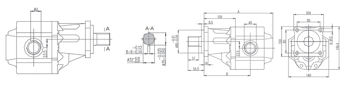
| Modelo | Deslocamento (ml/r) | Pressão (bar) | Velocidade (r/min) | A | B | D | d (mm) | |||
| Nominal | Máximo | Nominal | Máximo | Mínimo | (mm) | (mm) | (mm) | |||
| 3.5EPF82L00H27B | 82 | 210 | 300 | 2000 | 3000 | 300 | 233 | 157.5 | G1 | G1 |
| 3.5EPF95L99H27B | 95 | 210 | 300 | 2000 | 3000 | 300 | 239 | 160.5 | G1-1/4 | G1-1/4 |
A série 3.5APF, fabricada em ferro fundido, prospera em condições exigentes com maior resistência à pressão. Essas bombas são um dos pilares em aplicações robustas, como caminhões basculantes e caminhões basculantes no setor de engenharia, provando ser indispensáveis quando a resiliência e a confiabilidade são fundamentais. Sua construção robusta e seu desempenho demonstram a força das bombas de ferro fundido em operações de serviço pesado em vários setores.




















